Linear Unit MTJ 80

The MTJ linear units have toothed belt drive and compact dimensions to provide high performance features such as high speed and good accuracy.

The unit MTJ have a pre-tensioned steel reinforced AT polyurethane timing toothed belt.
In conjunction with a zero-backlash drive pulley high moments with alternating loads with good positioning accuracy, low wear and low noise can be realized.

All parts in the profile are protected from dust and other contaminations. As corrosion-resistant protection strip is available as option.
Read more

Product Information

Modulus of Elasticity: E = 70000 N / mm2
Operating Temperature (°C): 0 ~ +60 For operating temperature out of the presented range, please contact Rollco.
Duty Cycle: 100%
Max. Acceleration (m/s²): 50 (Optional, acceleration up to 70 m/s² possible if used without INOX seal strip)
Max. Travel Speed (m/s): 1.5 (Optional, travel speed up to 6 m/s possible if used without INOX seal strip)
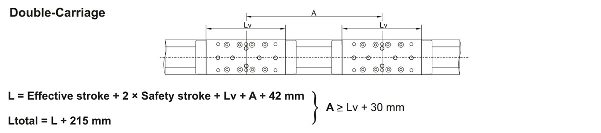
Designation Select all CAD Compare Get quote Lead Time * Carriage Length Lv (mm) Dynamic Moment Mx (Nm) Dynamic Moment My (Nm) Dynamic Moment Mz (Nm) Dynamic Load Capacity C (N) Static Load Capacity C0 (N) Max. Permissible Loads Forces Fpy (N) Max. Permissible Loads Forces Fpz (N) Max. Permissible Loads Moments Mpx (Nm) Max. Permissible Loads Moments Mpy (Nm) Max. Permissible Loads Moments Mpz (Nm) Moved Mass (kg) Max. Repeatability (mm) Max. Length Lmax (mm) Max. Stroke (mm) Min. Stroke (mm)
Request quote 2 170 185 130 130 17100 30000 4470 7530 110 122 100 1.72 ± 0.08 6000 5788 55
Request quote 2 260 370 2565 2565 34200 60000 8930 15060 150 1130 670 2.72 ± 0.08 6000 5698 55

*Green: Normally in stock, contact us for current status. Blue: Contact us for delivery time.

Designation Select all CAD Compare Get quote Carriage version Dynamic Load Capacity C (N) Static Load Capacity C0 (N) Dynamic Moment Mx (Nm) Dynamic Moment My (Nm) Dynamic Moment Mz (Nm) Max. Permissible Loads Forces Fpy (N) Max. Permissible Loads Forces Fpz (N) Max. Permissible Loads Moments Mpx (Nm) Max. Permissible Loads Moments Mpy (Nm) Max. Permissible Loads Moments Mpz (Nm)
Request quote S2 34200 60000 370 17.1 × A (mm) 17.1 × A (mm) 8930 15060 220 7.5 × A (mm) 4.5 × A (mm)
Request quote L2 68400 120000 740 34.2 × A (mm) 34.2 × A (mm) 17860 30130 300 15.1 × A (mm) 8.9 × A (mm)
Designation Select all CAD Compare Get quote Max. Drive Torque Ma (Nm) No Load Torque with Strip (Nm) No Load Torque without Strip (Nm) Pulley Drive Ratio (mm/rev) Pulley Diameter Belt Type Belt Width Max. Force Transmitted by Belt (N) Specific Spring Constant Cspec (N) Planar Moment of Inertia ly (cm⁴) Planar Moment of Inertia lz (cm⁴)
Request quote 29.4 1.5 1.2 210 66.84 AT5 50 880 960000 129.1 173.4
Request quote 29.4 1.7 1.4 210 66.84 AT5 50 880 960000 129.1 173.4
Designation Select all CAD Compare Get quote Mass of Linear Unit (kg) Mass Moment of Inertia (10⁻⁵ kg m²) Planar Moment of Inertia ly (cm⁴) Planar Moment of Inertia lz (cm⁴) Moved Mass (kg)
Request quote 6.8 + 0.0085 × (Abs. Stroke + (nc - 1) × A) + 1.72 × (nc - 1) 310.6 + 0.0391 × (Abs. Stroke + (nc - 1) × A) + 192.1 × (nc - 1) 129.1 173.4 1.72
Request quote 8.4 + 0.0085 × (Abs. Stroke + (nc - 1) × A) + 2.72 × (nc - 1) 423.3 + 0.0391 × (Abs. Stroke + (nc - 1) × A) + 303.8 × (nc - 1) 129.1 173.4 2.72